agilePOK
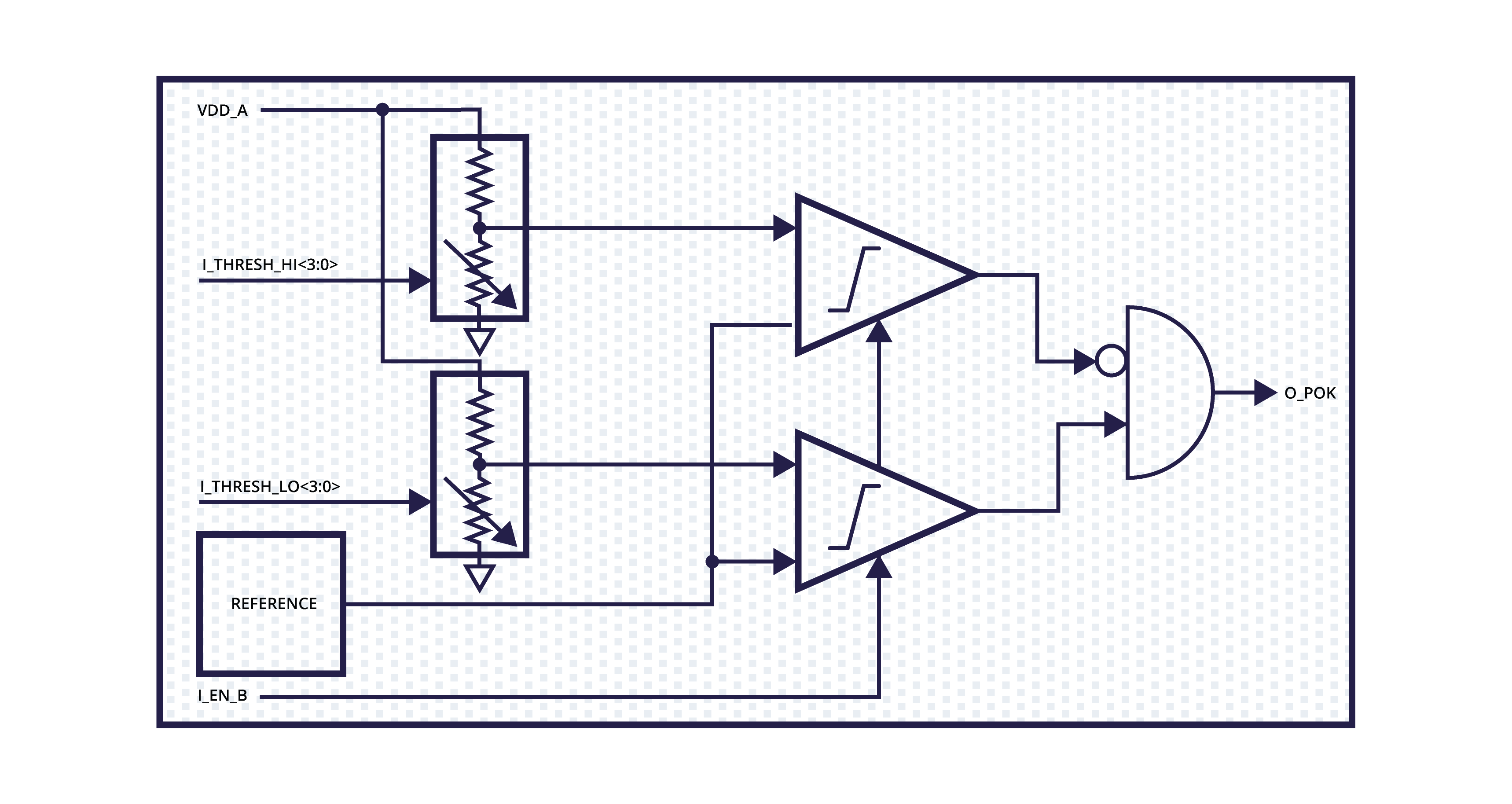
The agilePOK is a Power OK monitor that consists of a voltage reference and comparators to set a programmable high and low threshold level for power supply integrity detection. The number of trigger outputs can be customized and each threshold can be adjusted during operation to support DVFS operation. This monitor can be used to detect loss of power or attacks to the power supply.
º£½ÇÉçÇø designs are based on tried and tested architectures to ensure reliability and functionality. Our design methodology is programmatic, systematic and repeatable leading to analog IP that is more verifiable, more robust and more reliable. Our methodology also allows us to quickly re-target our IP to different process options. We support all the major foundries including TSMC, GlobalFoundries, Intel Foundry, Samsung Foundry, UMC and Other Foundries.
Active current: 100μA (Max) • Upper and lower trimmable thresholds • Number of threshold steps: 16 • Threshold accuracy: ±10% • Silicon area: 0.075 mm2 in 4nm technology
Low current consumption: Low current consumption for power sensitive applications • Programmable threshold levels: High and low threshold levels trimmed to compensate for process variations

Block Diagram | Power-OK Monitor | agilePOK
Take a look at this selection of º£½ÇÉçÇø product and marketing related information. These press releases offer some interesting insights into our industry collaborations and product development work.
Lorem ipsum dolor sit amet, consectetur adipiscing elit. Suspendisse varius enim in eros elementum tristique. Duis cursus, mi quis viverra ornare, eros dolor interdum nulla, ut commodo diam libero vitae erat. Aenean faucibus nibh et justo cursus id rutrum lorem imperdiet. Nunc ut sem vitae risus tristique posuere.